LINUS-S varaosat, Silgranit anthrazit/kromi
  • LINUS-S varaosat, Silgranit anthrazit/kromi
  • LINUS-S varaosat, Silgranit anthrazit/kromi
  • LINUS-S varaosat, Silgranit anthrazit/kromi
  • LINUS-S varaosat, Silgranit anthrazit/kromi
  • LINUS-S varaosat, Silgranit anthrazit/kromi
  • LINUS-S varaosat, Silgranit anthrazit/kromi
  • LINUS-S varaosat, Silgranit anthrazit/kromi
  • LINUS-S varaosat, Silgranit anthrazit/kromi
  • LINUS-S varaosat, Silgranit anthrazit/kromi
  • LINUS-S varaosat, Silgranit anthrazit/kromi

BLANCO LINUS-S varaosat

anthrazit/kromi kaikki varaosat Tilaustuote

4123393
184,49 € (147,00 € ALV 0%)
Sisältää alv:n
Vaihtoehdot:

BLANCO LINUS-S (200609S) varaosat

Hanavaraosat BLANCO LINUS-S (200609S, anthrazit/kromi)

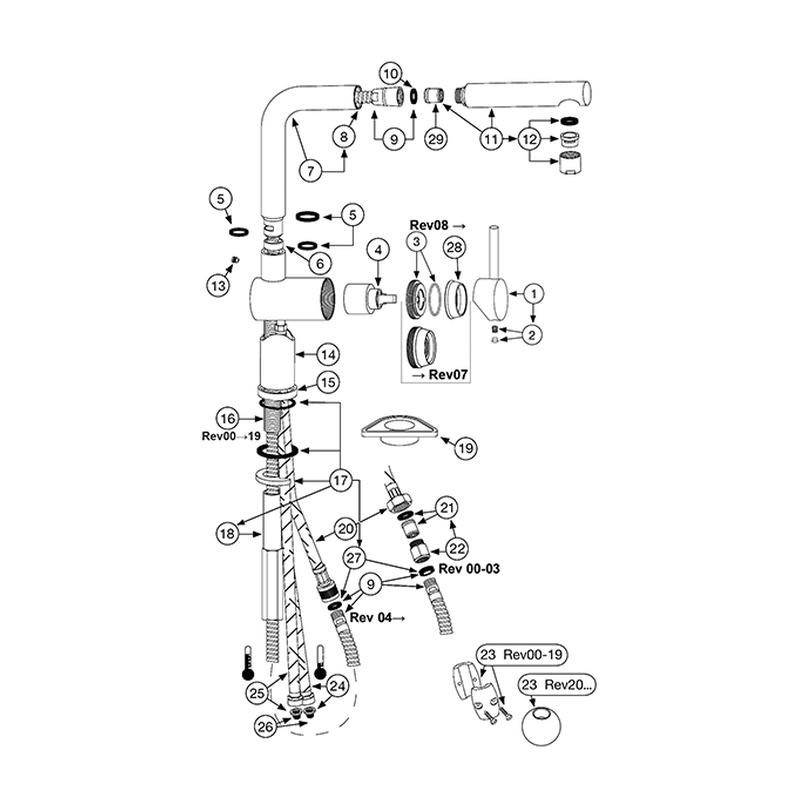
Helpoiten löydät sopivan varaosan kun valitset tuotekuvista räjäytyskuvan, jossa näet kaikki tuotteeseen liittyvät varaosat. Tämän lisäksi varaosat ovat myös listattuna alasvetovalikossa. Pääsääntöisesti varaosat ovat hanakohtaisia, jolloin...

Tuote-esittely

BLANCO LINUS-S (200609S) varaosat

Hanavaraosat BLANCO LINUS-S (200609S, anthrazit/kromi)

Helpoiten löydät sopivan varaosan kun valitset tuotekuvista räjäytyskuvan, jossa näet kaikki tuotteeseen liittyvät varaosat. Tämän lisäksi varaosat ovat myös listattuna alasvetovalikossa. Pääsääntöisesti varaosat ovat hanakohtaisia, jolloin varaosan tuotekuvassa
on myös viittaus (numero) räjäytyskuvaan. Näiden lisäksi osa varaosista on yleismallisia ja sopivat moneen eri tuotteeseen.

Toimitussisältö

Mittakuvat ja tekniset tiedot

Tuotevaihtoehdot

Varaosat

Ladattavat tiedostot