LINUS-S varaosat, Silgranit kallionharmaa/kromi
  • LINUS-S varaosat, Silgranit kallionharmaa/kromi
  • LINUS-S varaosat, Silgranit kallionharmaa/kromi
  • LINUS-S varaosat, Silgranit kallionharmaa/kromi
  • LINUS-S varaosat, Silgranit kallionharmaa/kromi
  • LINUS-S varaosat, Silgranit kallionharmaa/kromi
  • LINUS-S varaosat, Silgranit kallionharmaa/kromi
  • LINUS-S varaosat, Silgranit kallionharmaa/kromi
  • LINUS-S varaosat, Silgranit kallionharmaa/kromi
  • LINUS-S varaosat, Silgranit kallionharmaa/kromi
  • LINUS-S varaosat, Silgranit kallionharmaa/kromi

BLANCO LINUS-S varaosat

kallionharmaa/kromi kaikki varaosat Varastossa

4123479
178,21 € (142,00 € ALV 0%)
Sisältää alv:n
Vaihtoehdot:

BLANCO LINUS-S (200611S) varaosat

Hanavaraosat BLANCO LINUS-S (200611S, kallionharmaa/kromi)

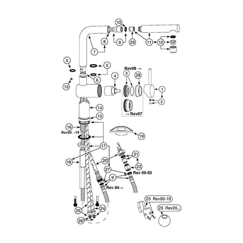
Helpoiten löydät sopivan varaosan kun valitset tuotekuvista räjäytyskuvan, jossa näet kaikki tuotteeseen liittyvät varaosat. Tämän lisäksi varaosat ovat myös listattuna alasvetovalikossa. Pääsääntöisesti varaosat ovat hanakohtaisia, jolloin...

Tuote-esittely

BLANCO LINUS-S (200611S) varaosat

Hanavaraosat BLANCO LINUS-S (200611S, kallionharmaa/kromi)

Helpoiten löydät sopivan varaosan kun valitset tuotekuvista räjäytyskuvan, jossa näet kaikki tuotteeseen liittyvät varaosat. Tämän lisäksi varaosat ovat myös listattuna alasvetovalikossa. Pääsääntöisesti varaosat ovat hanakohtaisia, jolloin varaosan tuotekuvassa
on myös viittaus (numero) räjäytyskuvaan. Näiden lisäksi osa varaosista on yleismallisia ja sopivat moneen eri tuotteeseen.

Toimitussisältö

Mittakuvat ja tekniset tiedot

Tuotevaihtoehdot

Varaosat

Ladattavat tiedostot