

Voit tilata tuotteita liikkumalla sivustolla ja keräämällä niitä yksitellen ostoskoriin. Mikäli tiedät tuotekoodit voit myös käyttää Pikatilaus vaihtoehtoa, jossa sinun tarvitsee ainoastaan syöttää koodit ja kappalemäärät taulukkoon ja lähettää taulukko meille. Pikatilaus taulukkoon pääset yllä olevan PIKATILAUS linkin kautta. |
Eikö sinulla ole vielä asiakastiliä? Rekisteröidy jälleenmyyjänä tai yksityishenkilönä.
Kirjaudu sisäänvalkoinen/kromi kaikki varaosat Tilaustuote
Hanavaraosat BLANCO LINUS-S (200602S, valkoinen/kromi)
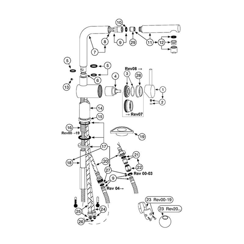
Helpoiten löydät sopivan varaosan kun valitset tuotekuvista räjäytyskuvan, jossa näet kaikki tuotteeseen liittyvät varaosat. Tämän lisäksi varaosat ovat myös listattuna alasvetovalikossa. Pääsääntöisesti varaosat ovat...
Hanavaraosat BLANCO LINUS-S (200602S, valkoinen/kromi)
Helpoiten löydät sopivan varaosan kun valitset tuotekuvista räjäytyskuvan, jossa näet kaikki tuotteeseen liittyvät varaosat. Tämän lisäksi varaosat ovat myös listattuna alasvetovalikossa. Pääsääntöisesti varaosat ovat hanakohtaisia, jolloin varaosan tuotekuvassa
on myös viittaus (numero) räjäytyskuvaan. Näiden lisäksi osa varaosista on yleismallisia ja sopivat moneen eri tuotteeseen.
check_circle
check_circle